Risorse multimediali
Immagini
Colline del M. Ardizio e spiaggia presso Fosso Sejore (Pesaro), luglio 2007
Foto di:
Poggiani Luciano
Colline di Cartoceto
(legenda della carta in scheda introduttiva agli itinerari)
Foto di:
Aguzzi Alessandro
Colline di Magliano (a sinistra), del Prelato e di M. Giove (Fano), dicembre 1982
Foto di:
Poggiani Luciano
Colline di Monte Giove
(legenda della carta in scheda introduttiva agli itinerari)
Foto di:
Aguzzi Alessandro
Colline di San Giorgio di Pesaro viste dal Convento della Misericordia di Poggio, gennaio 2008
Foto di:
Dionisi Virgilio
Colline in riva destra del basso corso del F. Metauro, zona del Fosso dell'Acqua Salata, giugno 1982
Foto di:
Poggiani Luciano
Colline in riva destra del F. Metauro nella zona del Fosso dell'Acqua Salata (Fano), giugno 1982
Foto di:
Poggiani Luciano
Colline nella zona di S. Angelo in Ferriano (Fano), luglio 1986. Sullo sfondo la Valle del Metauro
Foto di:
Poggiani Luciano
Colline presso S. Cesareo (Fano), 1982. Si vedono in primo piano il Bosco di S. Cesareo e sullo sfondo il Bosco di S. Elia
Foto di:
Poggiani Luciano
Colline tra Mombaroccio e Fontecorniale, con la ZPS “Mombaroccio e Beato Sante” perimetrata in rosso e il SIC “Mombaroccio” perimetrato in verde. Carta faunistico venatoria della Provincia di Pesaro e Urbino, scala 1:100.000
Colombara, S. Lorenzo di Carda e S. Cristoforo di Carda; segnato in verde il Mulino della Carda. Carta IGM 1:25.000 116 IV S.O. (autorizz. IGM n. 4877 del 2-11-1998)
Colonna trasformata in una specie di contenitore, Palazzo Comunale di Cagli
Foto di:
Ferretti Alberto
Colonne d'ingresso di Villa Bertozzini a S. Andrea in Villis (Fano), febbraio 2007
Foto di:
Dionisi Virgilio
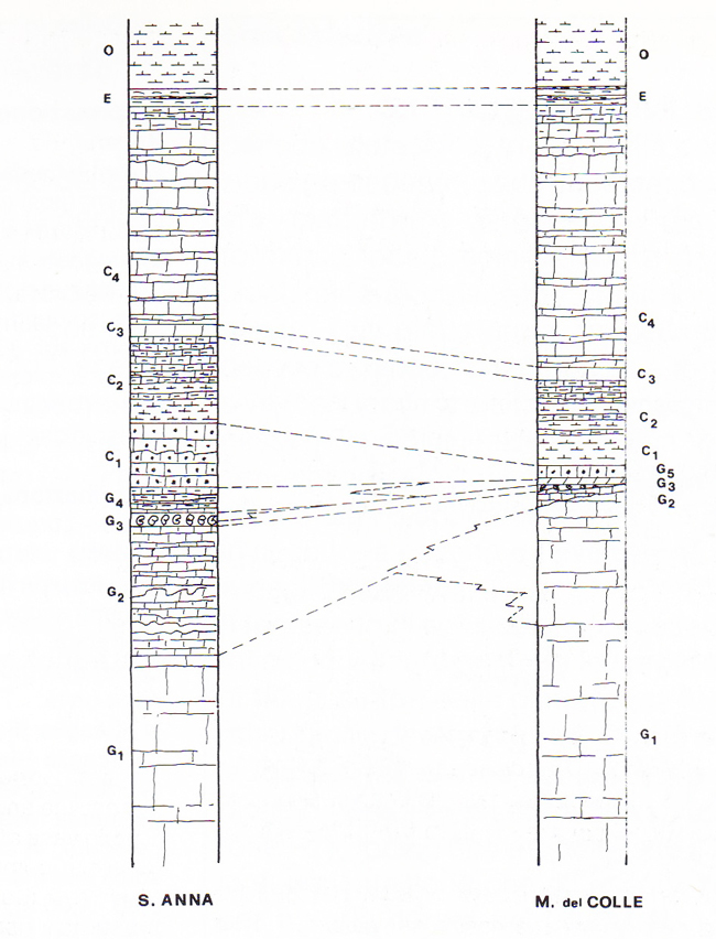
Colonne stratigrafiche dei Monti del Furlo a S. Anna (successione completa) e a M. del Colle (successione condensata) (da: PERGOLINI e FARINA 1990). G1 = Calcare Massiccio; G2 = Corniola; G3-G4 = Formazione del Bosso (Rosso Ammonitico e Calcari a Posidonia), Calcari Diasprini e Calcari ad Aptici); G3-G5 = Formazione del Bugarone (Calcari Nodulari + Grigio Ammonitico); C1 = Maiolica; C2 = Marne a Fucoidi; C3 = Scaglia Bianca; C4 = Scaglia Rossa; E = Scaglia Variegata; O = Scaglia Cinerea